

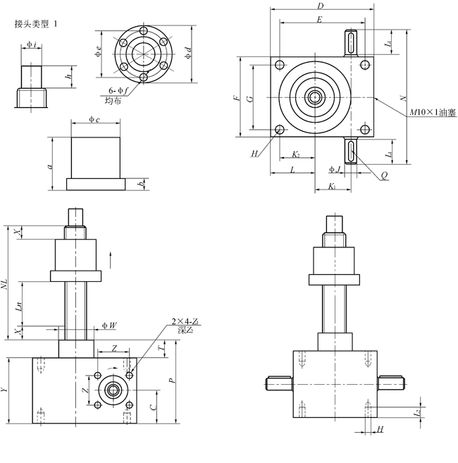
| 型號CS | CS2.5 | CS5 | CS10 | CS25 | CS50 | CS150 | CS250 | CS350 | CS500 |
| 絲杠 | Tr14×4 | Tr18×4 | Tr20×4 | Tr30×6 | Tr40×7 | Tr60×9 | Tr80×10 | Tr100×10 | Tr120×14 |
| A | 20 | 20 | 30 | 30 | 45 | 55 | 55 | 65 | 90 |
| B | 77 | 97(110) | 120(124) | 132 | 182 | 255 | 275 | 360 | 466 |
| C | 25 | 31 | 37.5 | 41 | 58.5 | 80 | 82.5 | 110 | 133 |
| D | 60 | 80 | 100 | 130 | 180 | 200 | 240 | 290 | 360 |
| E | 48 | 60 | 78 | 106 | 150 | 166 | 190 | 230 | 290 |
| F | 50 | 72 | 85 | 105 | 145 | 165 | 220 | 250 | 300 |
| G | 38 | 52 | 63 | 81 | 115 | 131 | 170 | 190 | 230 |
| H | M6 | M8 | M8 | M10 | M12 | M20 | M30 | M36 | M42 |
| ΦJk6 | 9 | 10 | 14 | 16 | 20 | 25 | 30 | 35 | 48 |
| K1 | 20 | 25 | 32 | 45 | 63 | 71 | 80 | 100 | 135 |
| K2 | 16 | 21 | 29 | 42 | 63 | 66 | 75 | 95 | 115 |
| L | 22 | 31 | 40 | 54 | 78 | 83 | 100 | 125 | 150 |
| L1 | 20 | 22.5 | 25.5 | 43 | 45 | 65 | 65 | 63 | 97.5 |
| L2 | 12 | 13 | 15 | 15 | 16 | 30 | 45 | 54 | 80 |
| N | 92 | 120 | 140 | 195 | 240 | 300 | 355 | 380 | 500 |
| P | 62 | 74(87) | 93(97) | 105 | 149 | 200 | 205 | 270 | 326 |
| Q | 3×3×14 | 3×3×18 | 5×5×20 | 5×5×36 | 6×6×36 | 8×7×56 | 8×7×56 | 10×8×56 | 14×9×90 |
| T | 12 | 12(25) | 18(22) | 23 | 32 | 40 | 40 | 50 | 60 |
| ΦU | 28 | 32 | 40 | 50 | 65 | 90 | 125 | 150 | 180 |
| ΦW | 26 | 30(48) | 40(57) | 46 | 70 | 85 | 120 | 145 | 170 |
| Y | 50 | 62 | 75 | 82 | 117 | 160 | 165 | 220 | 266 |
| Z | 24 | 32.5 | 35 | 44 | 55 | 70 | - | - | - |
| Z1 | M6 | M8 | M8 | M8 | M10 | M10 | - | - | - |
| Z2 | 6 | 10 | 12 | 12 | 15 | 15 | - | - | - |
| 絲杠接頭類型1 | |||||||||
| Φak6 | 8 | 12 | 15 | 20 | 25 | 40 | 60 | 80 | 95 |
| b | 12 | 15 | 20 | 25 | 30 | 45 | 75 | 100 | 120 |
| c | 15 | 20 | 25 | 30 | 35 | 55 | 90 | 115 | 140 |
| 絲杠接頭類型2 | |||||||||
| Φd | 50 | 65 | 80 | 90 | 110 | 150 | 220 | 260 | 310 |
| Φe | 40 | 48 | 60 | 67 | 85 | 117 | 170 | 205 | 240 |
| Φf | 4×Φ7 | 4×Φ9 | 4×Φ11 | 4×Φ11 | 4×Φ13 | 4×Φ17 | 4×Φ25 | 4×Φ32 | 4×Φ38 |
| g | 19 | 24 | 28 | 28 | 34 | 57 | 72 | 92 | 142 |
| s | 16 | 20 | 21 | 23 | 30 | 50 | 60 | 80 | 120 |
| r | 6 | 7 | 8 | 10 | 15 | 20 | 30 | 40 | 40 |
| Φx | 26 | 30 | 40 | 46 | 70 | 85 | 120 | 145 | 170 |
| 絲杠接頭類型3 | |||||||||
| h | 12 | 19 | 20 | 22 | 29 | 48 | 58 | 78 | 118 |
| i | M8 | M12 | M14 | M20 | M30 | M36 | M64×3 | M72×3 | M100×3 |
| k | 15 | 23 | 25 | 27 | 35 | 55 | 70 | 90 | 140 |
| 絲杠接頭類型4 | |||||||||
| l h10 | 12 | 15 | 20 | 30 | 35 | 40 | 80 | 110 | 120 |
| m | 40 | 55 | 63 | 78 | 100 | 130 | 155 | 220 | 330 |
| n | 20 | 30 | 36 | 45 | 60 | 66 | 110 | 170 | 230 |
| Φo H8 | 8 | 10 | 12 | 16 | 20 | 22 | 60 | 80 | 90 |
| p1 | 33 | 44 | 52 | 58 | 74 | 104 | 117 | 147 | 222 |
| Φu | 25 | 30 | 40 | 45 | 60 | 85 | 120 | 160 | 170 |
| v | 10 | 15 | 18 | 25 | 30 | 33 | 50 | 85 | 130 |
| v1 | 30 | 40 | 45 | 53 | 70 | 97 | 105 | 135 | 200 |
| 絲杠接頭類型5 | |||||||||
| l H10 | 8 | 12 | 14 | 20 | 30 | 36 | —— | —— | —— |
| m | 42 | 61 | 72 | 105 | 160 | 188 | —— | —— | —— |
| n | 26 | 37 | 44 | 65 | 100 | 116 | —— | —— | —— |
| Φo H8 | 8 | 12 | 14 | 20 | 30 | 35 | —— | —— | —— |
| p1 | 35 | 52 | 63.5 | 85 | 124 | 151 | —— | —— | —— |
| u | 16 | 24 | 27 | 40 | 60 | 70 | —— | —— | —— |
| Φu1 | 14 | 20 | 24.5 | 34 | 52 | 60 | —— | —— | —— |
| v | 16 | 24 | 28 | 40 | 60 | 72 | —— | —— | —— |
| v1 | 32 | 48 | 56 | 80 | 120 | 144 | —— | —— | —— |
| 型號CS | CS2.5 | CS5 | CS10 | CS25 | CS50 | CS150 | CS250 | CS350 | CS500 |
| 絲杠 | Tr14×4 | Tr18×4 | Tr20×4 | Tr30×6 | Tr40×7 | Tr60×9 | Tr80×10 | Tr100×10 | Tr120×14 |
| C | 25 | 31 | 37.5 | 41 | 58.5 | 80 | 82.5 | 110 | 133 |
| D | 60 | 80 | 100 | 130 | 180 | 200 | 240 | 290 | 360 |
| E | 48 | 60 | 78 | 106 | 150 | 166 | 190 | 230 | 290 |
| F | 50 | 72 | 85 | 105 | 145 | 165 | 220 | 250 | 300 |
| G | 38 | 52 | 63 | 81 | 115 | 131 | 170 | 190 | 230 |
| H | M6 | M8 | M8 | M10 | M12 | M20 | M30 | M36 | M42 |
| ΦJk6 | 9 | 10 | 14 | 16 | 20 | 25 | 30 | 35 | 48 |
| K1 | 20 | 25 | 32 | 45 | 63 | 71 | 80 | 100 | 135 |
| K2 | 16 | 21 | 29 | 42 | 63 | 66 | 75 | 95 | 115 |
| L | 22 | 31 | 40 | 54 | 78 | 83 | 100 | 125 | 150 |
| L1 | 20 | 22.5 | 22.5 | 43 | 45 | 65 | 65 | 63 | 97.5 |
| L2 | 12 | 13 | 15 | 15 | 16 | 30 | 45 | 54 | 80 |
| N | 92 | 120 | 140 | 195 | 240 | 300 | 355 | 380 | 500 |
| NL | Lift+60 | Lift+68 | Lift+74 | Lift+86 | Lift+123 | Lift+149 | Lift+160 | Lift+180 | Lift+220 |
| P | 62 | 74 | 93 | 105 | 149 | 200 | 205 | 270 | 326 |
| Q | 3×3×14 | 3×3×18 | 5×5×20 | 5×5×36 | 6×6×36 | 8×7×56 | 8×7×56 | 10×8×56 | 14×9×90 |
| T | 12 | 12 | 18 | 23 | 32 | 40 | 40 | 50 | 60 |
| ΦW | 26 | 30 | 40 | 46 | 70 | 85 | 120 | 145 | 170 |
| 裕度X | 10 | 12 | 15 | 20 | 25 | 25 | 25 | 25 | 30 |
| Y | 50 | 62 | 75 | 82 | 117 | 160 | 165 | 220 | 266 |
| Z | 24 | 32.5 | 35 | 44 | 55 | 70 | - | - | - |
| Z1 | M6 | M8 | M8 | M8 | M10 | M10 | - | - | - |
| Z2 | 6 | 10 | 12 | 12 | 15 | 15 | - | - | - |
| 運動螺母 | |||||||||
| a | 40 | 44 | 44 | 46 | 73 | 99 | 110 | 130 | 160 |
| b | 10 | 12 | 12 | 14 | 16 | 20 | 30 | 35 | 40 |
| Φch9 | 24 | 28 | 32 | 42 | 63 | 85 | 105 | 130 | 160 |
| Φd | 44 | 48 | 55 | 66 | 95 | 125 | 190 | 240 | 300 |
| Φe | 34 | 38 | 45 | 54 | 78 | 105 | 150 | 185 | 230 |
| Φf | 5 | 6 | 7 | 7 | 9 | 11 | 17 | 25 | 28 |
| 絲杠接頭類型1 | |||||||||
| h | 12 | 15 | 20 | 25 | 30 | 45 | 75 | 100 | 120 |
| Φik6 | 8 | 12 | 15 | 20 | 25 | 40 | 60 | 80 | 95 |
注:運動螺母尺寸中“()”內的數字僅對滾珠絲杠型適用,且滾珠絲杠的“Φf”在外側有標準的沉孔,其中CS50型的“/”前為4005,“/”后為4010滾珠絲杠的螺母尺寸。

冀公網安備13092802000153號