

|
型號\尺寸
|
a
|
B1
|
B2
|
B3
|
B4
|
C1
|
C2
|
C3
|
D
|
h
|
h1
|
i≤12.5
|
||||
|
d1
|
I1
|
b1
|
t1
|
L1
|
||||||||||||
|
63
|
63
|
155
|
245
|
140
|
105
|
125
|
90
|
125
|
190
|
23
|
5
|
19js6
|
28
|
6
|
21.5
|
128
|
|
80
|
80
|
180
|
270
|
160
|
110
|
150
|
95
|
145
|
210
|
23
|
5
|
24js6
|
36
|
8
|
27
|
151
|
|
100
|
100
|
220
|
325
|
200
|
125
|
190
|
110
|
185
|
240
|
23
|
5
|
28js6
|
42
|
8
|
31
|
182
|
|
型號\尺寸
|
i≥16
|
d2
|
I2
|
b2
|
t2
|
L2
|
L3
|
L4
|
H
|
d3
|
kg(不含油)
|
||||
|
d1
|
I1
|
b1
|
t1
|
L1
|
|||||||||||
|
63
|
19js6
|
28
|
6
|
21.5
|
128
|
32k6
|
58
|
10
|
35
|
135
|
97
|
70
|
75
|
M12
|
19
|
|
80
|
24js6
|
36
|
8
|
27
|
151
|
38k6
|
58
|
10
|
41
|
143
|
110
|
81
|
80
|
M12
|
28
|
|
100
|
24js6
|
36
|
8
|
27
|
176
|
42k6
|
82
|
12
|
45
|
182
|
130
|
95
|
95
|
M12
|
42.5
|

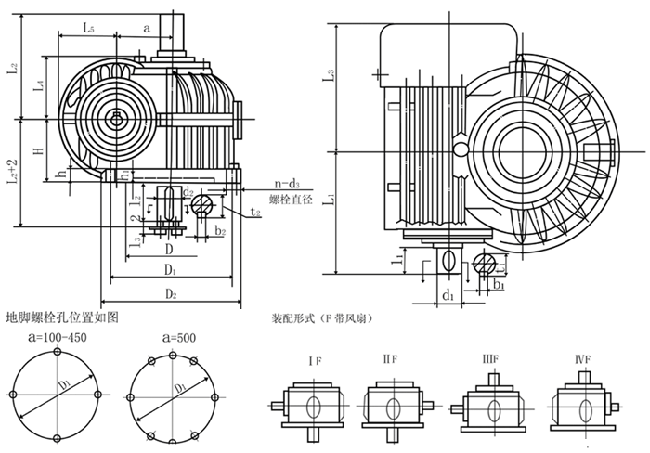
| a | D | D1 | D2 | L3 | L4 | L5 | h | h1 | H | i≤12.5 | |||||
| d1 | I1 | b1 | t1 | L1 | |||||||||||
| 125 | 125 | 230 | 280 | 320 | 202 | 134 | 125 | 32 | 8 | 132 | 32k6 | 58 | 10 | 35 | 218 |
| 160 | 160 | 300 | 360 | 400 | 245 | 157 | 142 | 32 | 8 | 160 | 42k6 | 82 | 12 | 45 | 277 |
| 200 | 200 | 370 | 435 | 480 | 295 | 181 | 180 | 38 | 8 | 190 | 48k6 | 82 | 14 | 51.5 | 324 |
| 250 | 250 | 470 | 540 | 600 | 360 | 210 | 210 | 40 | 8 | 212 | 55k6 | 82 | 16 | 59 | 380 |
| 280 | 280 | 550 | 640 | 700 | 390 | 226 | 215 | 45 | 8 | 225 | 60m6 | 105 | 18 | 64 | 430 |
| 315 | 315 | 605 | 700 | 760 | 430 | 243 | 235 | 50 | 10 | 250 | 65m6 | 105 | 18 | 69 | 470 |
| 355 | 355 | 700 | 805 | 880 | 480 | 256 | 235 | 55 | 10 | 265 | 70m6 | 105 | 20 | 74.5 | 515 |
| 400 | 400 | 765 | 875 | 950 | 515 | 278 | 247 | 60 | 10 | 265 | 75m6 | 105 | 20 | 79.5 | 545 |
| 450 | 450 | 875 | 990 | 1070 | 565 | 300 | 275 | 65 | 10 | 315 | 80m6 | 130 | 22 | 85 | 625 |
| 500 | 500 | 1000 | 1100 | 1180 | 655 | 344 | 300 | 75 | 10 | 375 | 90m6 | 130 | 25 | 95 | 680 |
| 型號\尺寸 | i≥16 | d2 | I2 | b2 | t2 | L2 | I3 | 地腳螺栓 | kg(不含油) | ||||||
| d1 | I1 | b1 | t1 | L1 | d3 | n | |||||||||
| 125 | 28js6 | 42 | 8 | 31 | 202 | 55k6 | 82 | 16 | 59 | 222 | 14 | M12 | 4 | 95 | |
| 160 | 32k6 | 58 | 10 | 35 | 253 | 65m6 | 105 | 18 | 69 | 270 | 15 | M16 | 4 | 150 | |
| 200 | 38k6 | 58 | 10 | 41 | 300 | 80m6 | 130 | 22 | 85 | 325 | 17 | M16 | 4 | 270 | |
| 250 | 42k6 | 82 | 12 | 45 | 380 | 100m6 | 165 | 28 | 106 | 385 | 17 | M20 | 4 | 410 | |
| 280 | 48k6 | 82 | 14 | 51.5 | 407 | 110m6 | 165 | 28 | 116 | 405 | 17 | M24 | 4 | 550 | |
| 315 | 48k6 | 82 | 14 | 51.5 | 447 | 120m6 | 165 | 32 | 127 | 420 | 17 | M24 | 4 | 750 | |
| 355 | 55k6 | 82 | 16 | 59 | 492 | 130m6 | 200 | 32 | 137 | 470 | 17 | M30 | 4 | 930 | |
| 400 | 60m6 | 105 | 18 | 64 | 545 | 150m6 | 200 | 36 | 158 | 490 | 24 | M30 | 4 | 1200 | |
| 450 | 65m6 | 105 | 18 | 69 | 600 | 170m6 | 240 | 40 | 179 | 560 | 24 | M36 | 4 | 1650 | |
| 500 | 70m6 | 105 | 20 | 74.5 | 655 | 190m6 | 280 | 45 | 200 | 640 | 24 | M30 | 6 | 2190 | |
|
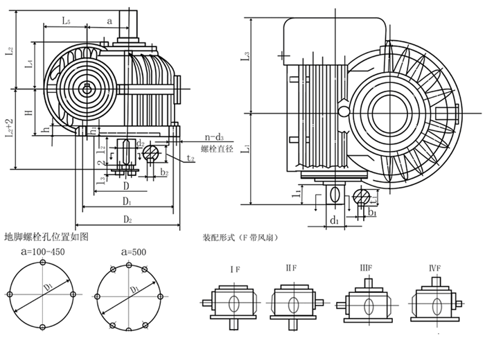
型號\尺寸
|
a
|
D
|
D1
|
D2
|
L3
|
L4
|
L5
|
h
|
h1
|
H
|
i≤12.5
|
||||
|
d1
|
I1
|
b1
|
t1
|
L1
|
|||||||||||
|
125
|
125
|
230
|
280
|
320
|
202
|
134
|
125
|
32
|
8
|
132
|
32k6
|
58
|
10
|
35
|
218
|
|
160
|
160
|
300
|
360
|
400
|
245
|
157
|
142
|
32
|
8
|
160
|
42k6
|
82
|
12
|
45
|
277
|
|
200
|
200
|
370
|
435
|
480
|
295
|
181
|
180
|
38
|
8
|
190
|
48k6
|
82
|
14
|
51.5
|
324
|
|
250
|
250
|
470
|
540
|
600
|
360
|
210
|
210
|
40
|
8
|
212
|
55k6
|
82
|
16
|
59
|
380
|
|
280
|
280
|
550
|
640
|
700
|
390
|
226
|
215
|
45
|
8
|
225
|
60m6
|
105
|
18
|
64
|
430
|
|
315
|
315
|
605
|
700
|
760
|
430
|
243
|
235
|
50
|
10
|
250
|
65m6
|
105
|
18
|
69
|
470
|
|
355
|
355
|
700
|
805
|
880
|
480
|
256
|
235
|
55
|
10
|
265
|
70m6
|
105
|
20
|
74.5
|
515
|
|
400
|
400
|
765
|
875
|
950
|
515
|
278
|
247
|
60
|
10
|
265
|
75m6
|
105
|
20
|
79.5
|
545
|
|
450
|
450
|
875
|
990
|
1070
|
565
|
300
|
275
|
65
|
10
|
315
|
80m6
|
130
|
22
|
85
|
625
|
|
500
|
500
|
1000
|
1100
|
1180
|
655
|
344
|
300
|
75
|
10
|
375
|
90m6
|
130
|
25
|
95
|
680
|
|
型號\尺寸
|
i≥16
|
d2
|
I2
|
b2
|
t2
|
L2
|
I3
|
地腳螺栓
|
kg(不含油)
|
||||||
|
d1
|
I1
|
b1
|
t1
|
L1
|
d3
|
n
|
|||||||||
|
125
|
28js6
|
42
|
8
|
31
|
202
|
55k6
|
82
|
16
|
59
|
222
|
14
|
M12
|
4
|
95
|
|
|
160
|
32k6
|
58
|
10
|
35
|
253
|
65m6
|
105
|
18
|
69
|
270
|
15
|
M16
|
4
|
150
|
|
|
200
|
38k6
|
58
|
10
|
41
|
300
|
80m6
|
130
|
22
|
85
|
325
|
17
|
M16
|
4
|
270
|
|
|
250
|
42k6
|
82
|
12
|
45
|
380
|
100m6
|
165
|
28
|
106
|
385
|
17
|
M20
|
4
|
410
|
|
|
280
|
48k6
|
82
|
14
|
51.5
|
407
|
110m6
|
165
|
28
|
116
|
405
|
17
|
M24
|
4
|
550
|
|
|
315
|
48k6
|
82
|
14
|
51.5
|
447
|
120m6
|
165
|
32
|
127
|
420
|
17
|
M24
|
4
|
750
|
|
|
355
|
55k6
|
82
|
16
|
59
|
492
|
130m6
|
200
|
32
|
137
|
470
|
17
|
M30
|
4
|
930
|
|
|
400
|
60m6
|
105
|
18
|
64
|
545
|
150m6
|
200
|
36
|
158
|
490
|
24
|
M30
|
4
|
1200
|
|
|
450
|
65m6
|
105
|
18
|
69
|
600
|
170m6
|
240
|
40
|
179
|
560
|
24
|
M36
|
4
|
1650
|
|
|
500
|
70m6
|
105
|
20
|
74.5
|
655
|
190m6
|
280
|
45
|
200
|
640
|
24
|
M30
|
6
|
2190
|
|

冀公網安備13092802000153號